(株)日研工作所

ボーリング用ベースホルダ HSK100A-Q16-155

  • 型番:HSK100A-Q16-155
  • 発注コード:ONI55
  • メーカー商品コード:HSK100A-Q16-155
  • JANコード:―
商品一覧へ
(サイズ・色違いなど)

仕切価格
標準価格 \35,070
 
注文単位 1個
  • ※12/13 23:20 時点の情報です


用途
商品説明
  • スルーホール付きです。
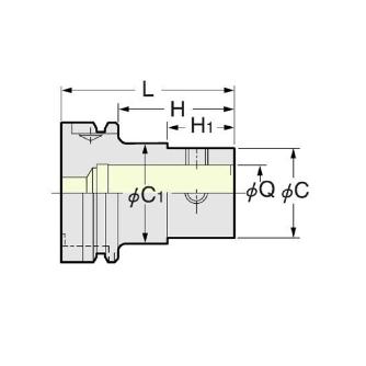
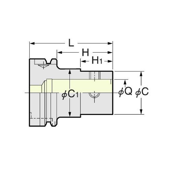
商品スペック
  • テーパ:HSK100A
  • Q:16
  • L:155
  • C:31
  • C1:50
  • H:121
  • H1:55
  • 接続ボルト No.:B16
注意事項
  • <特記事項>>【注文指示】
  • 標準よりL寸法が長い場合、有効ボーリング長MとQ No.をご指定下さい。
内容品・付属品 <<標準付属品>>接続ボルト、レンチ
原産国
特記事項

この商品を見た人はこちらの商品も見ています