おすすめキーワード
キーワードランキング
検索履歴
カテゴリー
メーカー
該当する販売店・事業所はありません
1~10件
※4/29 23:20 時点の情報です
ベガチャック NC-VMC
(株)日研工作所
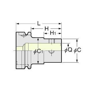
ボーリング用ベースホルダ BT-Q
ナット用スパナ CCKL
ノンストップチャックセット S.NQM
バランスカット大径用ボーリングバー HSK-RAC
ノンストップ用モールステーパスリーブ N-MT
ノンストップ用タッパチャック ZQ
ワイドモンキレンチ(軽量薄型) MWM
(株)スーパーツール
ノンストップDTセット D.T
ノンストップチャックホルダ(MT) NQM
フランジスルー型ミニミニチャック BT50-MMC
フランジスルー型ミニミニチャック NBT40-MMC
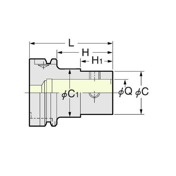
ボーリング用ベースホルダ MBT-Q
フランジスルー型スリムチャック NBT-SK
フランジスルー型スリムチャック BT-SK
フランジスルー型ミニミニチャック BT40-MMC
洗浄剤 パーツ&ブレーキクリーナー キャンペーンセット
(株)イチネンケミカルズ
ノンストップ用NPUドリルチャック N-NPU
コンビネーションスパナ CBW-N
グリッププライヤ(スタンダードタイプ) SGP
ログインを行ってください。
該当する商品の在庫はありません。
フォルダ新規作成
エラーメッセージエラーメッセージエラーメッセージエラーメッセージ
フォルダ選択
お気に入り登録しました
該当するユーザーはありません。