(株)ナベヤ

ジャッキ用アタッチメント JAT6442

  • 型番:JAT6442
  • 発注コード:OGX49
  • メーカー商品コード:951162
  • JANコード:4904115511627
商品一覧へ
(サイズ・色違いなど)

仕切価格
標準価格 ¥5,750
 
注文単位 1個
  • ※4/30 23:30 時点の情報です


用途
商品説明
  • 適合するジャッキ天面の穴を利用してご利用ください。
  • ジャッキ(AC550-100・HCS75-115・HCM85-125)を積重ねる際便利です。
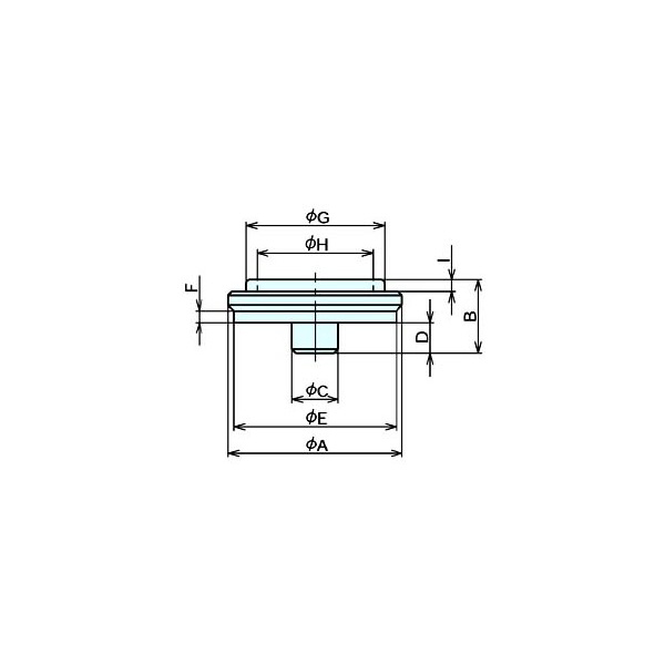
商品スペック
  • A:45
  • B:19
  • C:12
  • D:8
  • E:42
  • F:3
  • G:35.8
  • H:30
  • I:3
  • 質量(kg):0.12
  • 材質(本体):S45C
  • 熱処理:焼入HRC30±5
  • 表面処理:黒染め
  • 耐荷重(kN):30
注意事項
内容品・付属品
原産国
特記事項 ナベヤ(メーカー手配)に限り同一注文のメーカー定価合計が10,000円未満は送料1,000円です。サイト全体合計に適用しません。北海道・沖縄・離島は別途送料が発生します(送料は予告なく変更の場合あり)

この商品を見た人はこちらの商品も見ています