ダイキン工業(株)

パイロット作動形リリーフ弁 JRBS-G03-3-30

  • 型番:JRBS-G03-3-30
  • 発注コード:NQJ66
  • メーカー商品コード:JRBS-G03-3-30
  • JANコード:―
商品一覧へ
(サイズ・色違いなど)

仕切価格
標準価格 \69,700
 
注文単位 1個
  • ※12/15 23:30 時点の情報です


用途
商品説明
  • 騒音特性を向上させた低騒音形です。
  • 広範囲の流量域で安定した圧力制御を行い、安全弁としても働きます。
  • ベントポートにリモートコントロール用リリーフ弁を接続すれば、遠隔操作で主回路圧力を制御することができます。
  • ベントポートを使用し、アンロード弁としての機能をもたせることができます。
  • ハイベント形のオプションを用意しています。
商品スペック
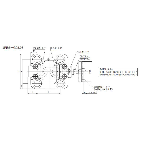
  • 種類:Jシリーズパイロット作動形リリーフ弁(低騒音形)
  • 接続方法:ガスケット取付形
  • 呼び径:3/8
  • 適合流体:石油系作動油、水・グリコール系作動油
  • オプション記号:圧力調整ハンドル形
  • デザイン番号:30
  • ベント記号:ローベント形
  • 圧力調整範囲:※~25MPa(※~250kgf/cm2)
注意事項
  • タンク配管は、他のタンク配管と合流せず、直接タンクへ接続してください。なお、タンクポートの背圧は0.5MPa(5kgf/cm2)以下にしてください。
  • リモートコントロール用直動形リリーフ弁と組み合わせて使用する場合は、ベントポートに接続してください。この場合、ベントラインの配管内部容積が大きすぎると振動を起こすことがありますので、内径4mm以下の厚肉鋼管で配管してください。
  • 安全弁として使用する場合は、回路の設定圧力より1~1.5MPa(10~15kgf/cm2)高く設定してください。
  • 小流量の場合は、設定圧力が不安定になる場合がありますので、5L/min以上で使用してください。
  • ハイベント形を使用すると、アンロードからオンロードへの切換時間を短縮できます。
内容品・付属品
原産国
特記事項

この商品を見た人はこちらの商品も見ています