(株)ナベヤ

ロックタイトFAクイックONEバイス LTFV150QG 廃番

後継品
  • 型番:LTFV150QG
  • 発注コード:NFB38
  • メーカー商品コード:952065
  • JANコード:4904115520650
商品一覧へ
(サイズ・色違いなど)

仕切価格
標準価格 \344,000
 
注文単位 1個
  • ※12/12 23:30 時点の情報です


用途
商品説明
  • メカニカル増圧機構により、約1回転でスピーディで楽に増圧できます。
  • 調整ダイヤルを手で回すだけで、締付力設定が容易にできます。
  • 1度設定した締付力は、その締付力でしか作動しない構造となっておりますので、安定した繰返し作業ができます。
  • メカニカル増圧機構のため、温度変化による締付力への影響が少なく、シール等の消耗部品の取替えも不要です。
  • 浮上がり防止機構により、可動体・ワークの浮上がりを抑えます。
  • 本体はダクタイル鋳鉄製で締付時のソリ・破損がありません。
  • 摺動部は、焼入れが施してあり、耐摩耗性に優れています。
  • 旧JIS0級を凌ぐ高精度です。
  • 並列仕様品の並列精度は0.01以内です。
  • ハンドルが機械テーブルに干渉する場合は、ハンドルジョイント(別売)をご利用下さい。
  • LTFHタイプは立形はもちろん、横形マシニングセンターでイケール貼り付け使用、背面合わせ使用等あらゆる状況に適用できます。
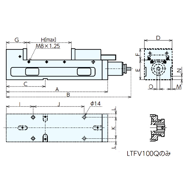
商品スペック
  • 口巾(mm):150
  • 口開(mm):260
  • ガイドブロック幅(mm):18
  • 口深:60
注意事項
内容品・付属品 ●標準取付クランプセット(適合T溝巾18mm・2組1セット)×2セット●標準ガイドブロック(適合溝巾18mm・2個1組)×1組●標準口金(2枚1組)×1セット●ハンドル×1本●吊上用金具×1
原産国
特記事項

この商品を見た人はこちらの商品も見ています