(株)ナベヤ

フットジャッキ FJR型(ラバー付) FJR12050

  • 型番:FJR12050
  • 発注コード:NEO53
  • メーカー商品コード:934262
  • JANコード:4904115342627
商品一覧へ
(サイズ・色違いなど)

仕切価格
標準価格 ¥960
 
注文単位 1個
  • ※3/16 23:30 時点の情報です


用途
商品説明
  • ラバー付のため、フロアーに傷をつけず、スベリ止め効果もあります。
  • ベース底部に六角ナットを圧入してあり、インパクトレンチ等で素早く組付ができます。
  • ラバーは、耐液性(ガソリン・灯油・酸・アルカリ)があり、-22℃から100℃で使用できます。
商品スペック
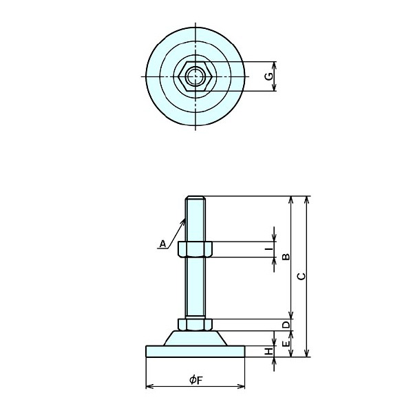
  • ねじの呼び:M12×1.75
  • 許容荷重(kN):5
  • 表面処理:FJR:ユニクロメッキ FJR-S:電解研磨
  • 質量(g):0.15
  • B:50
  • C:76
  • D:8
  • E:18
  • F:62
  • G:19
  • H:7
  • I:10
注意事項
内容品・付属品
原産国
特記事項 ナベヤ(メーカー手配)に限り同一注文のメーカー定価合計が10,000円未満は送料1,000円です。サイト全体合計に適用しません。北海道・沖縄・離島は別途送料が発生します(送料は予告なく変更の場合あり)

この商品を見た人はこちらの商品も見ています