(株)ナベヤ

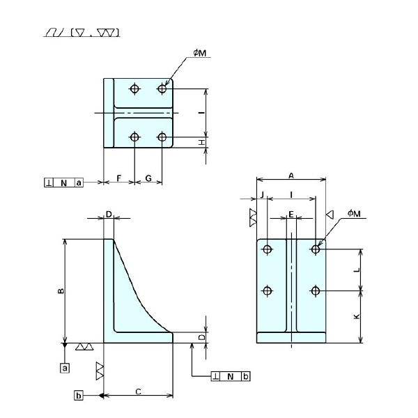
MJイケールH型 MJ4H

  • 型番:MJ4H
  • 発注コード:NDN19
  • メーカー商品コード:917305
  • JANコード:4904115173054
商品一覧へ
(サイズ・色違いなど)

仕切価格
標準価格 \21,500
 
注文単位 1個
  • ※12/15 23:30 時点の情報です


用途
商品説明
  • MJイケールS型の取付穴付タイプです。
  • 固定金具・シリンダーの取付ができます。
商品スペック
  • 質量(kg):5
  • 熱処理:焼鈍
  • 表面処理:塗装(黒皮部)
  • A:100
  • B:250
  • C:120
  • D:18
  • E:14
  • F:50
  • G:50
  • H:15
  • I:70
  • J:15
  • K:160
  • L:70
  • M:11
  • N:0.05
注意事項
内容品・付属品
原産国
特記事項

この商品を見た人はこちらの商品も見ています