(株)ナベヤ

MJイケールS型 MJ5S

  • 型番:MJ5S
  • 発注コード:NDN12
  • メーカー商品コード:918957
  • JANコード:4904115189574
商品一覧へ
(サイズ・色違いなど)

仕切価格
標準価格 ¥10,900
 
注文単位 1個
  • ※3/16 23:30 時点の情報です


用途
商品説明
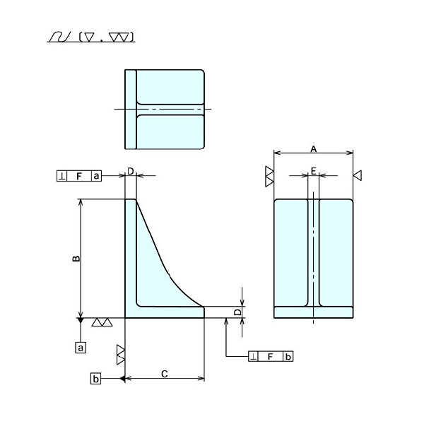
商品スペック
  • 質量(kg):3.3
  • 熱処理:焼鈍
  • 表面処理:塗装(黒皮部)
  • A:150
  • B:100
  • C:100
  • D:15
  • E:14
  • F:0.05
注意事項
内容品・付属品
原産国
特記事項 ナベヤ(メーカー手配)に限り同一注文のメーカー定価合計が10,000円未満は送料1,000円です。サイト全体合計に適用しません。北海道・沖縄・離島は別途送料が発生します(送料は予告なく変更の場合あり)

この商品を見た人はこちらの商品も見ています