(株)ナベヤ

MJイケールS型 MJ3S

  • 型番:MJ3S
  • 発注コード:NDN10
  • メーカー商品コード:918955
  • JANコード:4904115189550
商品一覧へ
(サイズ・色違いなど)

仕切価格
標準価格 \16,200
 
注文単位 1個
  • ※12/15 23:30 時点の情報です


用途
商品説明
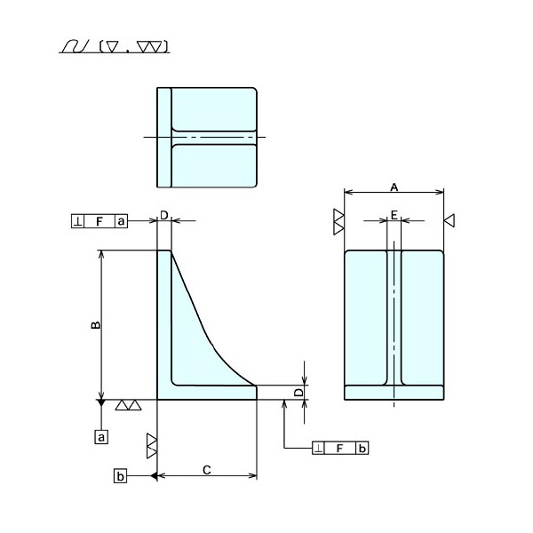
商品スペック
  • 質量(kg):4.2
  • 熱処理:焼鈍
  • 表面処理:塗装(黒皮部)
  • A:100
  • B:200
  • C:120
  • D:15
  • E:14
  • F:0.05
注意事項
内容品・付属品
原産国
特記事項

この商品を見た人はこちらの商品も見ています