(株)ナベヤ

ホールディング 11305-10026 廃番

  • 型番:11305-10026
  • 発注コード:NDI89
  • メーカー商品コード:125221
  • JANコード:4904115230535
商品一覧へ
(サイズ・色違いなど)

仕切価格
標準価格 ¥8,350
 
注文単位 1個
  • ※3/02 23:30 時点の情報です


用途
商品説明
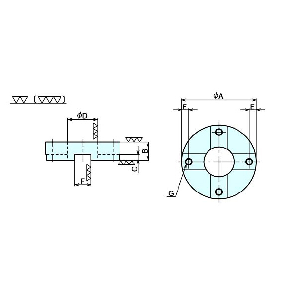
  • このリングはベースプレート及びアッセンブリーボディーのT溝と円筒又はレリーフロケートピンとの接続部品です。
商品スペック
  • 溝巾:10
  • Ah6:48
  • BF7:16
  • C:3.5
  • D:26
  • E:5
  • FH7:10
  • G:M4
  • 質量kg:0.15
  • 熱処理:焼入HRC60
注意事項
  • <特記事項>>【画像注意事項】画像はホールディングシリーズ画像を使用しています。
内容品・付属品
原産国
特記事項 ナベヤ(メーカー手配)に限り同一注文のメーカー定価合計が10,000円未満は送料1,000円です。サイト全体合計に適用しません。北海道・沖縄・離島は別途送料が発生します(送料は予告なく変更の場合あり)