(株)ナベヤ

MCツーリングブロック EN412-6363 廃番

  • 型番:EN412-6363
  • 発注コード:NCZ68
  • メーカー商品コード:124772
  • JANコード:4904115218434
商品一覧へ
(サイズ・色違いなど)

仕切価格
標準価格 ¥590,000
 
注文単位 1個
  • ※3/17 23:30 時点の情報です


用途
商品説明
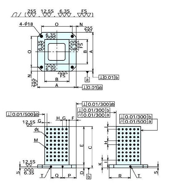
  • 横型マシニングセンター。NC横中グリ盤等の機械用ブロックです。
  • 機械テーブルとの位置決めはエッジロケーター穴によって位置決めします。
商品スペック
  • A:630
  • B:360
  • C:635
  • D:45
  • E:590
  • F:135
  • G:40
  • H:40
  • I:55
  • J:55
  • K:100
  • LH6:12.01
  • M:M12
  • N:65
  • O:500
  • P:215
  • Q:200
  • R:340
  • S:18
  • T:M16
  • 質量kg:257
  • 熱処理:焼鈍
  • 表面処理:塗装(黒皮部)
注意事項
  • <特記事項>>【画像注意事項】画像はMCツーリングブロックシリーズ画像を使用しています。
内容品・付属品
原産国
特記事項