(株)ナベヤ

MCツーリングブロック EN412-3235 廃番

  • 型番:EN412-3235
  • 発注コード:NCZ61
  • メーカー商品コード:124765
  • JANコード:4904115218366
商品一覧へ
(サイズ・色違いなど)

仕切価格
標準価格 ¥455,000
 
注文単位 1個
  • ※3/17 23:30 時点の情報です


用途
商品説明
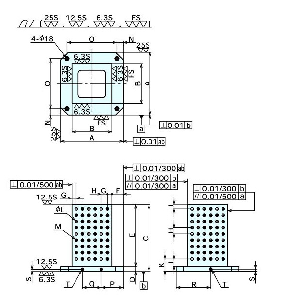
  • 横型マシニングセンター。NC横中グリ盤等の機械用ブロックです。
  • 機械テーブルとの位置決めはエッジロケーター穴によって位置決めします。
商品スペック
  • A:300
  • B:200
  • C:355
  • D:30
  • E:325
  • F:50
  • G:40
  • H:40
  • I:50
  • J:35
  • K:80
  • LH6:12.01
  • M:M12
  • N:-
  • O:-
  • P:-
  • Q:-
  • R:-
  • S:-
  • T:-
  • 質量kg:46
  • 熱処理:焼鈍
  • 表面処理:塗装(黒皮部)
注意事項
  • <特記事項>>【画像注意事項】画像はMCツーリングブロックシリーズ画像を使用しています。
内容品・付属品
原産国
特記事項