(株)ナベヤ

ダブルサーフェスエッジバー BT516-0390 廃番

  • 型番:BT516-0390
  • 発注コード:NCY76
  • メーカー商品コード:124928
  • JANコード:4904115228914
商品一覧へ
(サイズ・色違いなど)

仕切価格
標準価格 ¥15,700
 
注文単位 1個
  • ※3/14 23:20 時点の情報です


用途
商品説明
  • ワークの取付用ブロック
  • 両面位置決め用ブロック
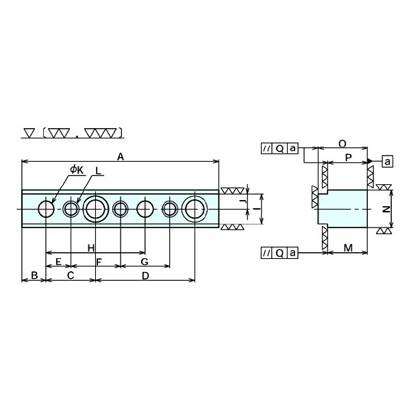
商品スペック
  • A:199
  • B:24.5
  • C:50
  • D:100
  • E:25
  • F:50
  • G:50
  • H±0.01:100
  • I:30
  • J:15
  • L:M16
  • M:20
  • N:38
  • O:25
  • P:20
  • Q:0.01
  • 質量kg:1.4
  • 熱処理:焼入HRC60
注意事項
  • <特記事項>>【画像注意事項】画像はダブルサーフェスエッジバーシリーズ画像を使用しています。
内容品・付属品
原産国
特記事項