(株)ナベヤ

ダブルサーフェスエッジバー BT412-0390 廃番

  • 型番:BT412-0390
  • 発注コード:NCY74
  • メーカー商品コード:124926
  • JANコード:4904115228891
商品一覧へ
(サイズ・色違いなど)

仕切価格
標準価格 ¥12,200
 
注文単位 1個
  • ※3/14 23:20 時点の情報です


用途
商品説明
  • ワークの取付用ブロック
  • 両面位置決め用ブロック
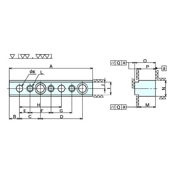
商品スペック
  • A:159
  • B:19.5
  • C:40
  • D:80
  • E:20
  • F:40
  • G:40
  • H±0.01:80
  • I:30
  • J:15
  • L:M12
  • M:20
  • N:36
  • O:25
  • P:20
  • Q:0.01
  • 質量kg:0.9
  • 熱処理:焼入HRC60
注意事項
  • <特記事項>>【画像注意事項】画像はダブルサーフェスエッジバーシリーズ画像を使用しています。
内容品・付属品
原産国
特記事項 ナベヤ(メーカー手配)に限り同一注文のメーカー定価合計が10,000円未満は送料1,000円です。サイト全体合計に適用しません。北海道・沖縄・離島は別途送料が発生します(送料は予告なく変更の場合あり)