(株)ナベヤ

スイングクランプハイトアジャストサポート EWN331670

  • 型番:EWN331670
  • 発注コード:NCJ66
  • メーカー商品コード:903508
  • JANコード:4904115035086
商品一覧へ
(サイズ・色違いなど)

仕切価格
標準価格 ¥14,300
 
注文単位 1個
  • ※4/30 23:30 時点の情報です


用途
商品説明
  • もちろんワーク固定のハイトアジャストにも使えます。T溝にもタップ穴にも使えます。
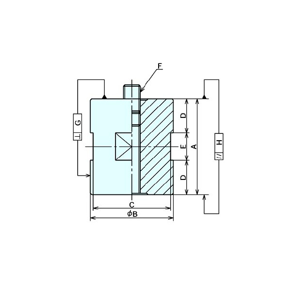
商品スペック
  • A:70(-0.002~-0.010)
  • B:60
  • C:55
  • D:25
  • E:20
  • F(並目):M12×1.75
  • G:0.03
  • H:0.005
  • 質量(kg):1.49
  • 材質(本体):SCM420
  • 熱処理:焼入HRC60
  • 表面処理:黒染め
注意事項
内容品・付属品
原産国
特記事項 ナベヤ(メーカー手配)に限り同一注文のメーカー定価合計が10,000円未満は送料1,000円です。サイト全体合計に適用しません。北海道・沖縄・離島は別途送料が発生します(送料は予告なく変更の場合あり)

この商品を見た人はこちらの商品も見ています