(株)ナベヤ

ユニバーサルストッパー 74401-2 廃番

  • 型番:74401-2
  • 発注コード:NCH17
  • メーカー商品コード:904659
  • JANコード:4904115046594
商品一覧へ
(サイズ・色違いなど)

仕切価格
標準価格 ¥52,000
 
注文単位 1個
  • ※3/10 23:30 時点の情報です


用途
商品説明
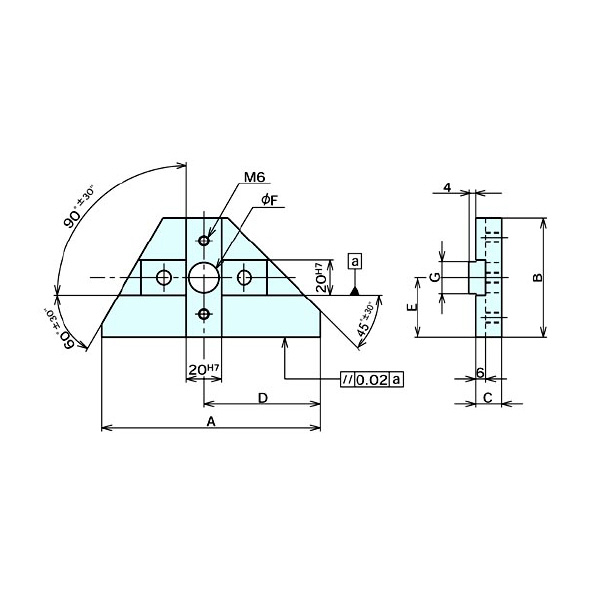
  • 締付けには平ワッシャー及びソケットスクリュー・Tスロットナットをご使用ください。
商品スペック
  • 適合T溝巾:14
  • 適合TスロットナットNo.:TNM1412
  • A:200
  • B:98
  • C:20
  • D:100
  • E:49
  • F:25
  • GH7:14
  • 質量kg:1.9
  • 熱処理:焼入HRC55
注意事項
  • <特記事項>>【画像注意事項】画像はユニバーサルストッパーシリーズ画像を使用しています。
内容品・付属品 ●ガイドブロック(段付型)-2個
原産国
特記事項