(株)ナベヤ

ユニバーサルストッパー 74393-1 廃番

  • 型番:74393-1
  • 発注コード:NCH11
  • メーカー商品コード:904653
  • JANコード:4904115046532
商品一覧へ
(サイズ・色違いなど)

仕切価格
標準価格 ¥41,800
 
注文単位 1個
  • ※3/11 23:30 時点の情報です


用途
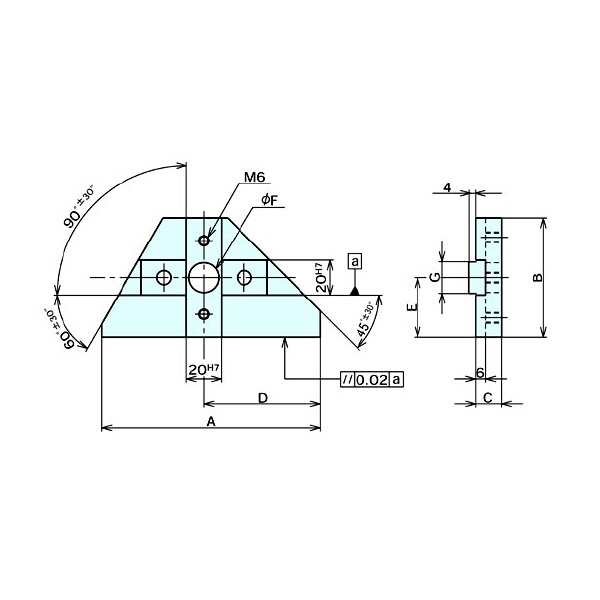
商品説明
  • 締付けには平ワッシャー及びソケットスクリュー・Tスロットナットをご使用ください。
商品スペック
  • 適合T溝巾:12
  • 適合TスロットナットNo.:TNM1210
  • A:125
  • B:68
  • C:15
  • D:66.5
  • E:34
  • F:17
  • GH7:12
  • 質量kg:0.55
  • 熱処理:焼入HRC55
注意事項
  • <特記事項>>【画像注意事項】画像はユニバーサルストッパーシリーズ画像を使用しています。
内容品・付属品 ●ガイドブロック(段付型)-2個
原産国
特記事項