(株)ナベヤ

VブロックB型 VA-BA300

  • 型番:VA-BA300
  • 発注コード:NCE14
  • メーカー商品コード:901223
  • JANコード:4904115012230
商品一覧へ
(サイズ・色違いなど)

仕切価格
標準価格 \280,000
 
注文単位 1個
  • ※11/01 23:20 時点の情報です


用途
商品説明
  • 丸物ワークの受けとして使用できます。
  • 検査・嵩上げブロック・けがき等にも使用できます。
  • 2個の基準面a、cに対するV溝のペア差はMC0.05、GS・FS0.03です。
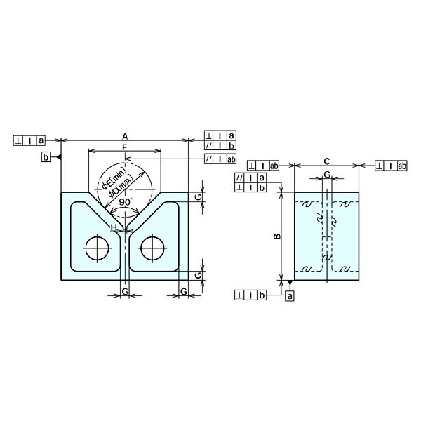
商品スペック
  • 全長(mm):300
  • 全高(mm):205
  • 全幅(mm):150
  • D:175
  • E:21
  • F:130
  • G:20
  • H:10
  • I:0.01/100
  • 質量(kg):60
  • タイプ:摺合仕上
  • 材質(本体):FC250
  • 熱処理:焼鈍
注意事項
内容品・付属品
原産国
特記事項

この商品を見た人はこちらの商品も見ています