(株)ナベヤ

VブロックB型 VA-B125

  • 型番:VA-B125
  • 発注コード:NCC81
  • メーカー商品コード:901208
  • JANコード:4904115012087
商品一覧へ
(サイズ・色違いなど)

仕切価格
標準価格 ¥12,800
 
注文単位 1個
  • ※4/29 23:20 時点の情報です


用途
商品説明
  • 丸物ワークの受けとして使用できます。
  • 検査・嵩上げブロック・けがき等にも使用できます。
  • 2個の基準面a、cに対するV溝のペア差はMC0.05、GS・FS0.03です。
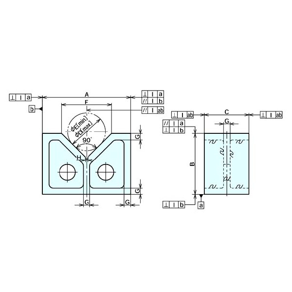
商品スペック
  • 全長(mm):127
  • 全高(mm):79
  • 全幅(mm):51
  • D:81
  • E:11
  • F:60
  • G:11
  • H:5
  • I:0.05/100
  • 質量(kg):3.4
  • タイプ:機械仕上
  • 材質(本体):FC250
  • 熱処理:焼鈍
注意事項
内容品・付属品
原産国
特記事項 ナベヤ(メーカー手配)に限り同一注文のメーカー定価合計が10,000円未満は送料1,000円です。サイト全体合計に適用しません。北海道・沖縄・離島は別途送料が発生します(送料は予告なく変更の場合あり)

この商品を見た人はこちらの商品も見ています