(株)ナベヤ

LEアングルプレートE型 617-06 廃番

  • 型番:617-06
  • 発注コード:NCB34
  • メーカー商品コード:904514
  • JANコード:4904115045146
商品一覧へ
(サイズ・色違いなど)

仕切価格
標準価格 ¥31,500
 
注文単位 1個
  • ※5/14 23:30 時点の情報です


用途
商品説明
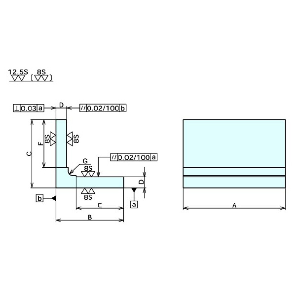
商品スペック
  • 商品タイプ:全巾 300
  • 質量(kg):37
  • 熱処理:焼鈍
  • 表面処理:塗装(黒皮部)
  • A:300
  • B:250
  • C:250
  • D:36
  • E:190
  • F:190
  • G:R16
注意事項
  • <特記事項>>【画像注意事項】画像はLEアングルプレートE型シリーズ画像を使用しています。
内容品・付属品
原産国
特記事項