(株)ナベヤ

LEアングルプレートS型 616-10 廃番

  • 型番:616-10
  • 発注コード:NCB27
  • メーカー商品コード:904507
  • JANコード:4904115045078
商品一覧へ
(サイズ・色違いなど)

仕切価格
標準価格 ¥32,300
 
注文単位 1個
  • ※5/14 23:30 時点の情報です


用途
商品説明
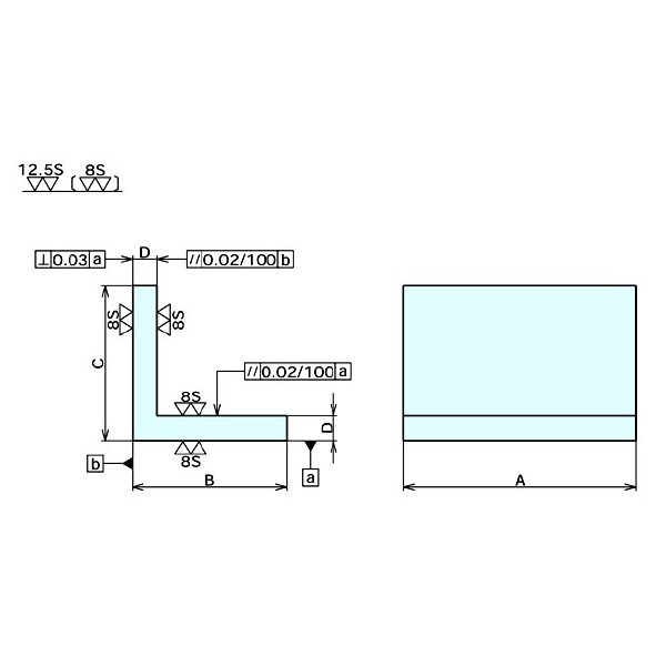
商品スペック
  • 商品タイプ:全巾 300
  • 質量(kg):32.4
  • 熱処理:焼鈍
  • A:300
  • B:250
  • C:250
  • D:36
注意事項
  • <特記事項>>【画像注意事項】画像はLEアングルプレートS型シリーズ画像を使用しています。
内容品・付属品
原産国
特記事項