(株)ナベヤ

LEアングルプレートS型 616-09 廃番

  • 型番:616-09
  • 発注コード:NCB26
  • メーカー商品コード:904506
  • JANコード:4904115045061
商品一覧へ
(サイズ・色違いなど)

仕切価格
標準価格 ¥22,900
 
注文単位 1個
  • ※5/14 23:30 時点の情報です


用途
商品説明
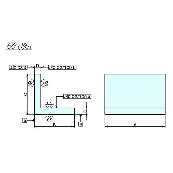
商品スペック
  • 商品タイプ:全巾 300
  • 質量(kg):25.4
  • 熱処理:焼鈍
  • A:300
  • B:200
  • C:200
  • D:32
注意事項
  • <特記事項>>【画像注意事項】画像はLEアングルプレートS型シリーズ画像を使用しています。
内容品・付属品
原産国
特記事項