(株)ナベヤ

LEアングルプレートS型 616-07 廃番

  • 型番:616-07
  • 発注コード:NCB24
  • メーカー商品コード:904504
  • JANコード:4904115045047
商品一覧へ
(サイズ・色違いなど)

仕切価格
標準価格 ¥16,400
 
注文単位 1個
  • ※5/14 23:30 時点の情報です


用途
商品説明
商品スペック
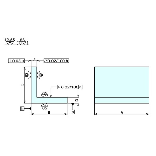
  • 商品タイプ:全巾 300
  • 質量(kg):9.9
  • 熱処理:焼鈍
  • A:300
  • B:125
  • C:125
  • D:20
注意事項
  • <特記事項>>【画像注意事項】画像はLEアングルプレートS型シリーズ画像を使用しています。
内容品・付属品
原産国
特記事項