(株)ナベヤ

LEアングルプレートS型 616-02 廃番

  • 型番:616-02
  • 発注コード:NCB19
  • メーカー商品コード:904499
  • JANコード:4904115044996
商品一覧へ
(サイズ・色違いなど)

仕切価格
標準価格 ¥6,400
 
注文単位 1個
  • ※3/14 23:20 時点の情報です


用途
商品説明
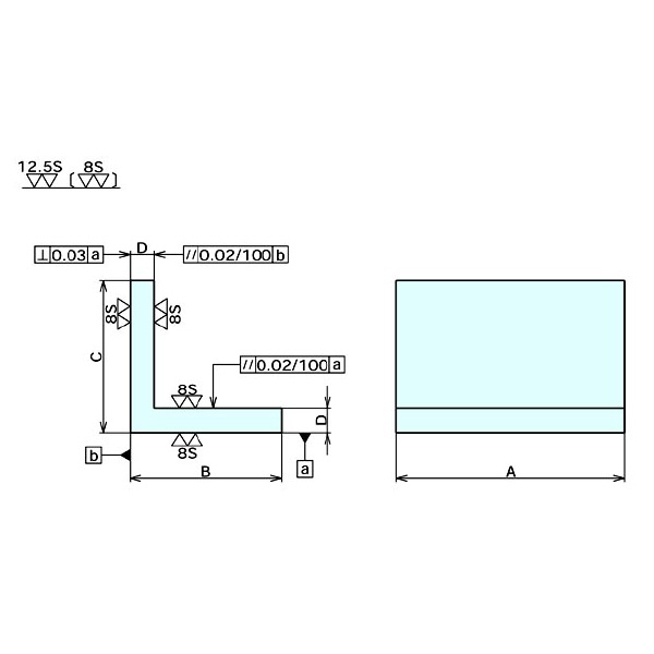
商品スペック
  • 商品タイプ:全巾 300
  • 質量(kg):1.8
  • 熱処理:焼鈍
  • A:300
  • B:40
  • C:40
  • D:12
注意事項
  • <特記事項>>【画像注意事項】画像はLEアングルプレートS型シリーズ画像を使用しています。
内容品・付属品
原産国
特記事項 ナベヤ(メーカー手配)に限り同一注文のメーカー定価合計が10,000円未満は送料1,000円です。サイト全体合計に適用しません。北海道・沖縄・離島は別途送料が発生します(送料は予告なく変更の場合あり)