(株)ナベヤ

MCサブテーブル T溝タイプ MCSP157

  • 型番:MCSP157
  • 発注コード:NBY87
  • メーカー商品コード:900396
  • JANコード:4904115003962
商品一覧へ
(サイズ・色違いなど)

仕切価格
標準価格 \1,490,000
 
注文単位 1個
  • ※12/15 23:30 時点の情報です


用途
商品説明
  • マシンのテーブルに合せて取付穴をあけます。
商品スペック
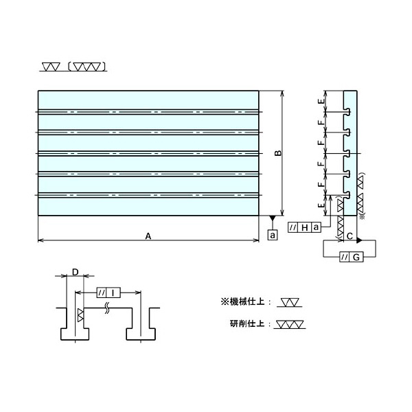
  • 商品タイプ:T溝タイプ
  • 全長(mm):1500
  • 全巾(mm):700
  • 厚み(mm):95
  • DH8:18
  • E:100
  • F:125
  • G:0.02
  • H:0.05
  • I:0.03
  • T溝数:5
  • 仕上:研削
  • クランプ穴:ユーザー仕様
  • 質量(kg):600
  • 材質(本体):FC250
  • 熱処理:焼鈍
  • 表面処理:塗装(黒皮部)
注意事項
内容品・付属品
原産国
特記事項

この商品を見た人はこちらの商品も見ています