(株)ナンシン

産業用キャスター STM-130VS W-3R

  • 型番:STM-130VS W-3R
  • 発注コード:NAJ09
  • メーカー商品コード:130785M
  • JANコード:4942279880517
商品一覧へ
(サイズ・色違いなど)

仕切価格
標準価格 \4,680
 
注文単位 1個
  • ※12/04 23:30 時点の情報です


用途 ●各種搬送台車、メッシュパレット、部品搬送特殊パレット、各種工場設備等、信頼性を重視するあらゆる機材に最適です。
商品説明
  • 優れた旋回性能。
  • スムーズな走行。
  • 広い互換性。
  • 金具はユニクロームメッキ仕上げです。
  • STM型はSKM型と取付高が同じですから併用できます。
  • W-3ストッパーは車輪の回転と旋回を同時に止めるストッパーです。
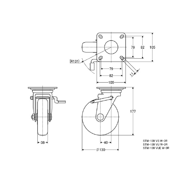
商品スペック
  • 商品タイプ:自在
  • 許容荷重(N):1800
  • 車輪幅(mm):38
  • 車輪径(mm):130
  • 取付高さ(mm):177
  • 車輪材質:ゴム
  • 取り付けピッチ(mm):82×82(79×79)
  • 車輪種類:ベアリング入り車輪
  • RoHS:対応
  • ストッパー:W-3
  • プレートサイズX×Y(mm):105×105
  • 許容荷重(kgf):184
  • 始動力(daN):10.80
  • 自重(g):2260
  • 車輪:VS
  • 取付穴径P(mm):11.0
  • 旋回始動力(daN):72.90
  • 旋回半径R(mm):(R130)
  • 偏心E(mm):40
注意事項
  • W-3ストッパーは標準は右付です(W-3R)。
内容品・付属品
原産国
特記事項

この商品を見た人はこちらの商品も見ています