住友電気工業(株)

カッタチップ SEMT13T3AGSR-L ACU2500

  • 型番:SEMT13T3AGSR-L ACU2500
  • 発注コード:M9A53
  • メーカー商品コード:14U2979
  • JANコード:―
商品一覧へ
(サイズ・色違いなど)

仕切価格
標準価格 \1,290
 
注文単位 10個
  • ※12/15 23:30 時点の情報です

※1/1に下記価格に改定予定です

仕切価格
標準価格 \1,380

用途 ●鋼・鋳鉄・難削材・非鉄金属の一般切削用
商品説明
商品スペック
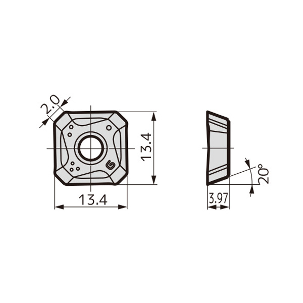
  • 商品タイプ:低抵抗型
  • インサート形状[記号]:正方形[S]
  • 頂角(°):90
  • 逃げ角[記号](°):20
  • インサート厚さ[記号](mm):3.97
  • 厚さ許容差(mm):±0.13
  • 内接円許容差(mm):±0.05~±0.15
  • 精度記号:M
  • 勝手[記号]:右[R]
  • 切削領域:軽切削
  • 材質(コーティング):(ACU2500)
  • Fig:1
注意事項
内容品・付属品
原産国
特記事項

この商品を見た人はこちらの商品も見ています