住友電気工業(株)

SEC-溝入れバイト インサート SSHRL14100 AC1030U

  • 型番:SSHRL14100 AC1030U
  • 発注コード:M6H18
  • メーカー商品コード:1TR4090
  • JANコード:―
商品一覧へ
(サイズ・色違いなど)

仕切価格
標準価格 \5,550
 
注文単位 5個
  • ※12/17 23:30 時点の情報です

※1/1に下記価格に改定予定です

仕切価格
標準価格 \5,940

用途 ●R溝/倣い
商品説明
商品スペック
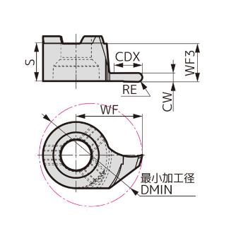
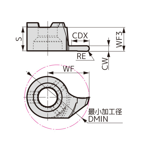
  • インサート厚さ[記号](mm):5.2
  • コーナー半径[記号](mm):0.5
  • 最大溝深さCDX(mm):1.6
  • 勝手[記号]:左[L]
  • 刃先距離WF(mm):9.0
  • 刃先距離WF3(mm):5.3
  • 刃幅CW(mm):1.00
  • コーティング:AC1030U
  • 適用バイト:E12□-SSHMN○○○-14、E16□-SSHMN○○○-14
  • Fig:3
注意事項
  • 最小加工径DMINの寸法は14サイズ:14mmとなります。
内容品・付属品
原産国
特記事項

この商品を見た人はこちらの商品も見ています