住友電気工業(株)

SEC-溝入れバイト ホルダ GNDLL1616JX-216J

  • 型番:GNDLL1616JX-216J
  • 発注コード:M1C06
  • メーカー商品コード:2600BDM
  • JANコード:―
商品一覧へ
(サイズ・色違いなど)

仕切価格
標準価格 \38,100
 
注文単位 1個
  • ※11/02 23:20 時点の情報です


用途
商品説明
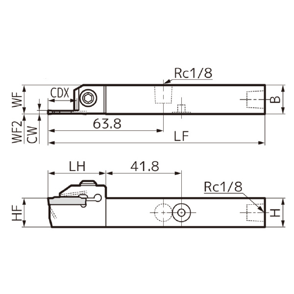
商品スペック
  • 加工用途:突切り・外径溝入れ(小型旋盤用)/内部給油
  • 構造:クランプオン
  • 勝手[記号]:左[L]
  • シャンク高(mm):16
  • シャンク幅(mm):16
  • 全長(mm):120
  • 刃先距離(mm):(16)
  • 刃先高さHF(mm):16
  • 頭部LH(mm):32.0
  • オフセットWF2(mm):0
  • 溝幅(mm):2
  • 最大溝深さ(mm):16
  • 最大突切り径(mm):32
  • Fig:2
  • 適用チップ:GC□ □20○○-□□
  • 部品・キャップスクリュー:CP-M5-20-1
  • 部品・プラグ:XP02
  • 部品・上面用レンチ:LH040
  • 部品・下面用レンチ:LH025
  • 部品・キャップスクリュー(N・m):5.0
注意事項
  • インサートとホルダの刃幅CWは同一の組み合わせでご使用ください。
  • 最大溝深さCDXは溝入れ加工時の数値です。
内容品・付属品
原産国
特記事項

この商品を見た人はこちらの商品も見ています