大西測定(株)

硬鋼製Vブロック 128-38

  • 型番:128-38
  • 発注コード:LPT10
  • メーカー商品コード:OS12128001018
  • JANコード:4560379751065
商品一覧へ
(サイズ・色違いなど)

仕切価格
標準価格 \38,000
 
注文単位 1個
  • ※12/18 23:30 時点の情報です


用途
商品説明
  • 硬鋼製Vブロックです。
商品スペック
  • 熱処理:焼入品
  • 材質:S50C
  • 焼入硬度:Hv450(HS60)以上
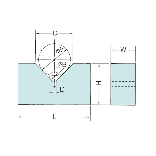
  • 呼寸法(mm):38
  • 寸法 長L×高H×巾W(mm):38×24×19
  • 寸法ΦA(mm):26
  • 寸法ΦB(mm):5
  • 寸法C(mm):20
  • 寸法D(mm):3
  • 平行度精度(mm):0.005
  • 直角度精度(±)(mm):0.005
  • 基準平面からのV溝の平行度精度(±)(mm):0.005
  • 1組質量(kg):0.26(2個=1組)
注意事項
内容品・付属品
原産国
特記事項

この商品を見た人はこちらの商品も見ています