大西測定(株)

工作用定盤 109-150300HT

  • 型番:109-150300HT
  • 発注コード:LPL40
  • メーカー商品コード:OS10109007010
  • JANコード:4560379747839
商品一覧へ
(サイズ・色違いなど)

仕切価格
標準価格
 
注文単位 1個
  • ※4/29 23:20 時点の情報です


用途
商品説明
  • 工作用定盤です。
  • オプション:アンカー取付型、クロス方向の溝。
商品スペック
  • 幅(mm):1500
  • 奥行(mm):3000
  • 高さ(mm):250
  • 材質:FC250
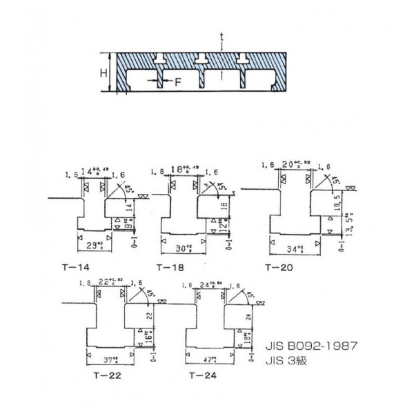
  • Tミゾ呼寸法(mm):22
  • Tミゾ数(本):4
  • リブ厚F(mm):22
  • リブ数(本):2×5
  • 規格(大西):HT-B
  • 吹上側厚E(mm):30
  • 吹上天厚t(mm):65
  • 素材質量(kg):3000
注意事項
内容品・付属品 ●校正証明書●検査成績書
原産国
特記事項