大西測定(株)

工作用定盤 109-100200HHT

  • 型番:109-100200HHT
  • 発注コード:LPL34
  • メーカー商品コード:OS10109004210
  • JANコード:4560379747778
商品一覧へ
(サイズ・色違いなど)

仕切価格
標準価格
 
注文単位 1個
  • ※4/29 23:20 時点の情報です


用途
商品説明
  • 工作用定盤です。
  • オプション:アンカー取付型、クロス方向の溝。
商品スペック
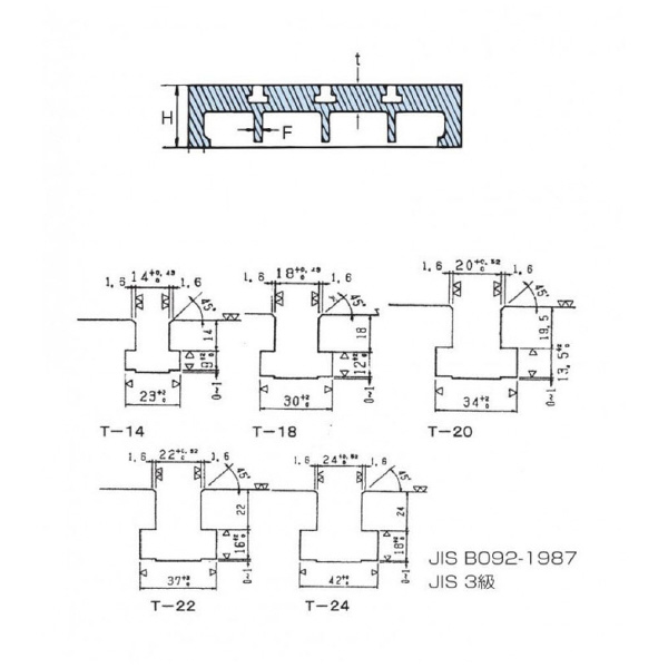
  • 幅(mm):1000
  • 奥行(mm):2000
  • 高さ(mm):150
  • 材質:FC250
  • Tミゾ呼寸法(mm):20
  • Tミゾ数(本):3
  • リブ厚F(mm):16
  • リブ数(本):2×3
  • 規格(大西):HHT-B
  • 吹上側厚E(mm):20
  • 吹上天厚t(mm):60
  • 素材質量(kg):1150
注意事項
内容品・付属品 ●校正証明書●検査成績書
原産国
特記事項