三菱マテリアル(株)

インパクトミラクル VF2XLB R0020N025S06

  • 型番:VF2XLB R0020N025S06
  • 発注コード:LBL36
  • メーカー商品コード:VF2XLBR0020N025S06
  • JANコード:―
商品一覧へ
(サイズ・色違いなど)

仕切価格
標準価格 \12,000
 
注文単位 1個
  • ※11/01 23:20 時点の情報です


用途
商品説明
  • インパクトミラクルコーティングを適用した、高硬度高速加工用2枚刃ロングネックボールエンドミルです。
商品スペック
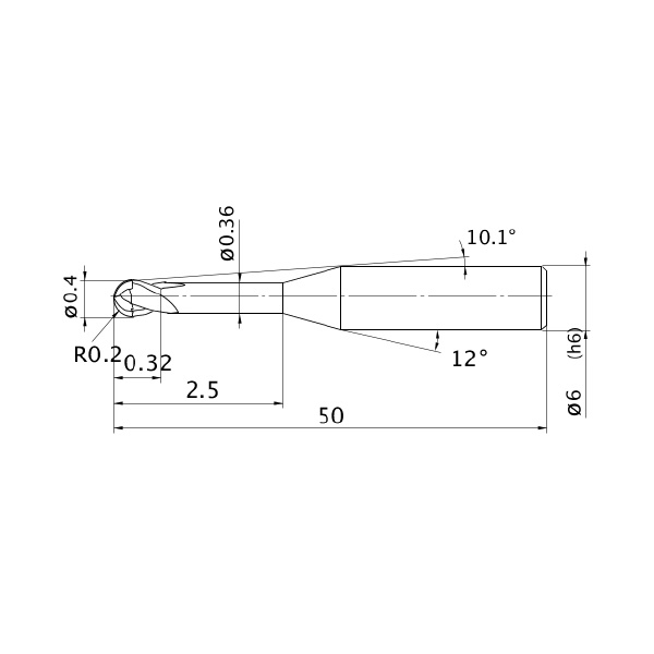
  • 外径(mm):0.4
  • 刃長(mm):0.32
  • シャンク径(mm):6
  • 刃数(枚):2(外周)
  • ボール半径(mm):0.2
  • 表面処理:VFコーティング
  • フルートねじれ角FHA(°):30
  • B2(°):10.3
  • BHTA2(°):12
  • 機能長さLF:50
  • 使用可能長さLU:2.5
  • 首径DN:0.36
  • 切れ刃基準径許容差最小:-0.02
  • 切れ刃基準径許容差最大:0
  • 長さ単位:M
  • 半径許容差 -:-0.007
  • 半径許容差 +:0.007
注意事項
  • 実際の製品と画像(代表例)は異なる場合がございます。詳しくは寸法をご確認ください。
内容品・付属品
原産国
特記事項

この商品を見た人はこちらの商品も見ています