(株)北川鉄工所

中空チャック B-18

  • 型番:B-18
  • 発注コード:KTB02
  • メーカー商品コード:9011083070
  • JANコード:―
商品一覧へ
(サイズ・色違いなど)

仕切価格
標準価格 \1,554,000
 
注文単位 1個
  • ※12/15 23:30 時点の情報です

※1/1に下記価格に改定予定です

仕切価格
標準価格 \1,977,000

用途
商品説明
  • 大きなワークも安定加工。
  • 大型スタンダードチャック。
商品スペック
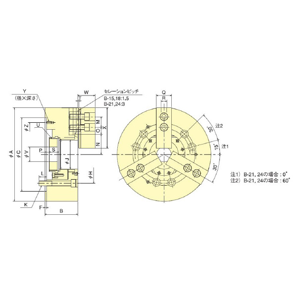
  • 把握径(mm):30[最小]・450[最大]
  • ジョーストローク(直径)(mm):10.6
  • プランジャストローク(mm):23
  • 許容最大入力(kN):71
  • 最大静的把握力(kN):180
  • 最高回転速度(min-1):2000
  • 慣性モーメント(kg・m2):4.451
  • 適合シリンダ:F2511H
  • 適合ジョー:SJ15C1(ソフトジョー)・HB15A1(ハードジョー)
  • 質量(kg):164(標準ソフトジョー付)
  • 貫通穴径(mm):117.5
  • 許容最大油圧力(MPa)(kgf/cm2):2.3(23.5)
  • 最大静的把握力(kgf):18355
  • 許容最大入力(kgf):7240
  • 寸法A(mm):450
  • 寸法B(mm):133
  • 寸法C(mm):380(H6)
  • 寸法F(mm):6
  • 寸法H(mm):235
  • 寸法J(mm):117.5
  • 寸法K(mm):6-M20
  • 寸法L(mm):30
  • 寸法M(mm):43
  • 寸法N(mm):82(max.)/76.7(min.)
  • 寸法O(mm):78.25(max.)/18.25(min.)
  • 寸法P(mm):11(max.)/-12(min.)
  • 寸法Q(mm):62
  • 寸法R(mm):22
  • 寸法S(mm):39
  • 寸法T(mm):5
  • 寸法U(mm):M130×2(max.)
  • 寸法V(mm):60
  • 寸法W(mm):70
  • 寸法X(mm):165
  • 寸法Y(mm):M10×20
  • 寸法Z(mm):320
注意事項
  • ドローナットのねじは未加工です。
  • 把握径/把握範囲は標準のソフトジョーを使用した場合。
内容品・付属品
原産国
特記事項

この商品を見た人はこちらの商品も見ています