(株)北川鉄工所

中実パワーチャック(直付仕様) N-12A0800

  • 型番:N-12A0800
  • 発注コード:KTA83
  • メーカー商品コード:9011013770
  • JANコード:―
商品一覧へ
(サイズ・色違いなど)

仕切価格
標準価格 \387,000
 
注文単位 1個
  • ※12/15 23:30 時点の情報です

※1/1に下記価格に改定予定です

仕切価格
標準価格 \493,000

用途
商品説明
  • N-Aシリーズショートテーパ型
  • スピンドルノーズ対応バックプレート付き
  • 中実のスタンダードチャックです。
商品スペック
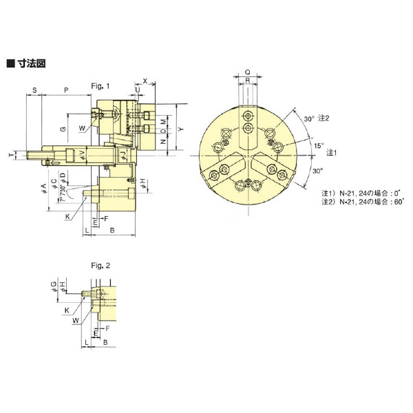
  • 把握径(mm):26[最小]・304[最大]
  • ジョーストローク(直径)(mm):10.5
  • プランジャストローク(mm):30
  • 許容最大入力(kN):41
  • 最大静的把握力(kN):156
  • 最高回転速度(min-1):3380
  • 慣性モーメント(kg・m2):0.753
  • 適合シリンダ:Y1530R(油圧)
  • 適合ジョー:SB12A1(ソフトジョー)・HB12B1(ハードジョー)
  • 最大静的把握力(kgf):15907
  • 最大設定油圧力(kgf/平方センチメートル):27.5
  • 最大設定油圧力(MPa):2.7
  • 許容最大入力(kgf):4181
  • 主軸端呼び:A2-8
注意事項
  • 重量は、標準ソフトジョー付の値です。
  • 許容最高回転速度は、実測値によります。
内容品・付属品
原産国
特記事項

この商品を見た人はこちらの商品も見ています