カネテック(株)

プレートマグネット/サニタリ PCMN-T1205

  • 型番:PCMN-T1205
  • 発注コード:KPV17
  • メーカー商品コード:0955101000
  • JANコード:4544554551015
商品一覧へ
(サイズ・色違いなど)

仕切価格
標準価格 \156,500
 
注文単位 1個
  • ※12/08 23:30 時点の情報です


用途 ●シュート・ホッパーに取付け、食品、化学、薬品その他粉体原料から鉄分を分離捕獲する等に応用できます。●テンプレートは、捕獲した鉄分を、原料の通過圧に抗して保持し蓄積を継続します。
商品説明
  • サニタリー仕様の高品位仕上げです。
  • 完全密閉式のため、液中への設置も可能です。
  • 特性値1.2Tの希土類磁石を内装し、高磁力です。
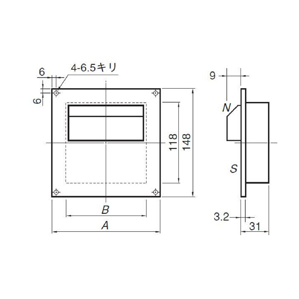
商品スペック
  • 商品タイプ:テンプレート付タイプ
  • 表面磁束密度(T(G)):0.4(最大)
  • 使用環境温度上限(℃):80
  • 材質:SUS304(本体)
  • 質量(kg):2
  • テンプレート(PCMN-T)材質:SUS430
  • 寸法A(mm):85
  • 寸法B(mm):55
  • 内装永久磁石:Nd系希土類
  • 内装永久磁石特性値(T(G)):1.2(12000)
  • 表面仕上:#400バフ仕上
注意事項
  • 本器材質と化学反応を起こさない液体ならば、液中での使用が可能です。
内容品・付属品
原産国
特記事項

この商品を見た人はこちらの商品も見ています