カネテック(株)

マグネットフィルタ/サニタリ PCML-T10

  • 型番:PCML-T10
  • 発注コード:KPV02
  • メーカー商品コード:0980044000
  • JANコード:4544554800441
商品一覧へ
(サイズ・色違いなど)

仕切価格
標準価格 \392,000
 
注文単位 1個
  • ※12/15 23:30 時点の情報です


用途 ●乳製品、ケチャップ、ソーセージ、ハチミツ、ラー油、納豆のたれ用。
商品説明
  • 処理量(流量)の少ない場所に有効です。
  • 構造が簡単で分解・清掃が容易に行えます。
  • コンパクト(軽量)で設置スペースをとりません。
商品スペック
  • 商品タイプ:耐熱高磁力形
  • 表面磁束密度(T(G)):0.8(8000)以上[最大]
  • 使用環境温度上限(℃):150
  • 質量(kg):約2
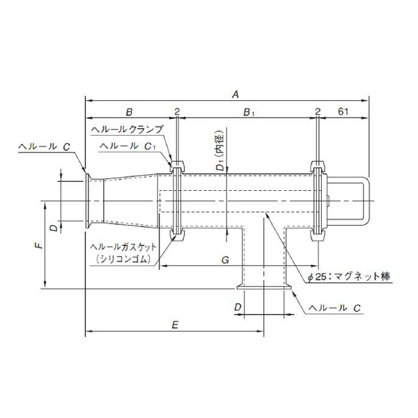
  • 外形寸法A(mm):259
  • 外形寸法B(mm):55
  • 外形寸法B1(mm):139
  • 外形寸法C(mm):1S
  • 外形寸法C1(mm):2S
  • 外形寸法D(mm):23
  • 外形寸法D1(mm):47.8
  • 外形寸法E(mm):139
  • 外形寸法F(mm):72.5
  • 外形寸法G(mm):152
  • 耐圧(kPa(kgf/cm2)):500(5)
  • 表面仕上:#400バフ仕上
  • 表面部材質:SUS304
注意事項
内容品・付属品
原産国
特記事項

この商品を見た人はこちらの商品も見ています