カネテック(株)

永磁ドラム/サニタリ PCMD-2640

  • 型番:PCMD-2640
  • 発注コード:KPH14
  • メーカー商品コード:0941317000
  • JANコード:4544554413177
商品一覧へ
(サイズ・色違いなど)

仕切価格
標準価格 \2,893,000
 
注文単位 1個
  • ※12/13 23:20 時点の情報です


用途 ●本器は、システムやケーシングに内装着し、モーターで低速駆動して投入する原料中から磁性粒子片を連続で分離仕分けします。●脱穀、精米や米加工の工程で、混入鉄分の除去に適します。●精米、麦、豆、コーヒー豆用。
商品説明
  • 特性値1.2T(12000G)以上の強力な希土類磁石を内装し、表面最大磁束密度は0.35T(3500G)以上で、ドラム式としては極めて高磁力形です。
  • 高磁力が半永久的に保持される永久磁石ですから、極めて省力的です。
商品スペック
  • 使用環境温度上限(℃):80
  • 質量(kg):約50
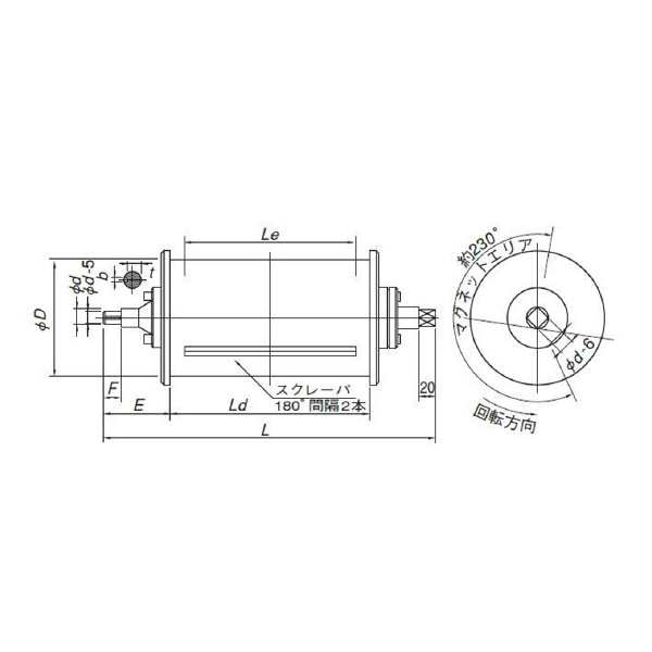
  • キ-溝(mm):8×21(b×t)
  • ドラム径ΦD(mm):Φ267
  • ドラム幅Ld(mm):420
  • 回転数(min-1):20~60(適性範囲)
  • 駆動モータ(kW):0.1(適性容量)
  • 最大処理量(m3/h):6.0
  • 軸径Φd(mm):Φ30
  • 寸法E(mm):130
  • 寸法F(mm):38
  • 寸法L(mm):660
  • 有効幅Le(mm):390
注意事項
内容品・付属品
原産国
特記事項

この商品を見た人はこちらの商品も見ています