カネテック(株)

永磁プーリ KPR-3260

  • 型番:KPR-3260
  • 発注コード:KNG83
  • メーカー商品コード:0940827000
  • JANコード:4544554408272
商品一覧へ
(サイズ・色違いなど)

仕切価格
標準価格 \792,000
 
注文単位 1個
  • ※12/13 23:20 時点の情報です


用途 ●用途は電磁プーリと同じで除鉄に利用されています。
商品説明
  • コンベアヘッドプーリとしてそのまま使え、除鉄効果は大。
  • バイオマス発電用木質系プラントでの除鉄にも!
  • 強磁力で効果は半永久的に持続します。
  • 磁力に関しては電源不要です。
  • 構造堅牢で取扱及び設置が容易です。
  • 原料の中からのステンレス等、弱磁性物の選別回収に適用できます。
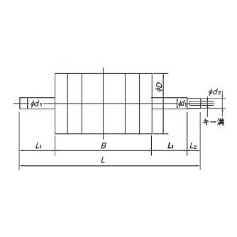
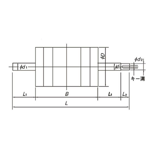
商品スペック
  • ベルト巾(mm):600
  • 外形寸法ΦD(mm):315
  • 外形寸法B(mm):650
  • 外形寸法L(mm):980
  • 外形寸法Φd1(mm):60
  • 外形寸法Φd2(mm):55
  • 外形寸法L1(mm):135
  • 外形寸法L2(mm):60
  • 外形寸法キー溝(mm):16×6
  • 表面磁束密度(mT(G)):80(800)以上
  • 質量(kg):140
  • 環境志向:対応
注意事項
内容品・付属品
原産国
特記事項

この商品を見た人はこちらの商品も見ています