京セラ(株)

ホルダ KPC4-DCLNL27050-12A

  • 型番:KPC4-DCLNL27050-12A
  • 発注コード:K6E04
  • メーカー商品コード:THC14689
  • JANコード:4960664860135
商品一覧へ
(サイズ・色違いなど)

仕切価格
標準価格 ¥47,600
 
注文単位 1個
  • ※3/15 23:20 時点の情報です

※3/30に下記価格に改定予定です

仕切価格
標準価格 ¥50,000

用途
商品説明
商品スペック
  • 適合ワーク材種:低炭素合金鋼・中炭素合金鋼・高炭素合金鋼・オーステナイト系ステンレス鋼(SUS304等)・マルテンサイト系ステンレス鋼(SUS403等)・析出硬化系ステンレス鋼(SUS630等)・ねずみ鋳鉄・ダクタイル鋳鉄・非鉄金属・チタン合金・耐熱合金・高硬度材・鉄系焼結金属
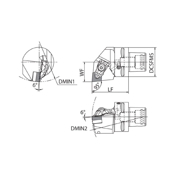
  • コーナR RE(mm):0.8
  • 勝手[記号]:左[L]
  • 径方向すくい角GAMF(°):-6
  • 軸方向すくい角GAMP(°):-6
  • 切込み角(°):95
  • 全長LF(mm):50
  • 機能幅WF(mm):27
  • クランプ方式:ダブルクランプ式
注意事項
内容品・付属品
原産国
特記事項

この商品を見た人はこちらの商品も見ています