京セラ(株)

ホルダ 外径旋削用 CSRNR3225P-12

  • 型番:CSRNR3225P-12
  • 発注コード:K4352
  • メーカー商品コード:THC01890
  • JANコード:4960664006069
商品一覧へ
(サイズ・色違いなど)

仕切価格
標準価格 ¥13,100
 
注文単位 1個
  • ※3/16 23:30 時点の情報です

※3/30に下記価格に改定予定です

仕切価格
標準価格 ¥13,800

用途
商品説明
商品スペック
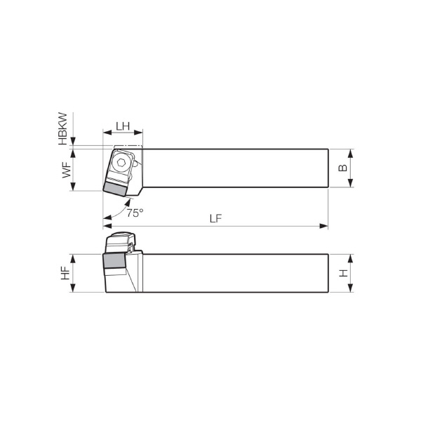
  • シャンク高さH(mm):32
  • シャンク幅B(mm):25
  • 全長LF(mm):170
  • 刃先高さHF(mm):32
  • 機能幅WF(mm):27
  • 勝手:R(右勝手)
注意事項
内容品・付属品
原産国
特記事項

この商品を見た人はこちらの商品も見ています