(株)ナベヤ

クランプピン用偏心シリンダー CPC10

  • 型番:CPC10
  • 発注コード:IXE32
  • メーカー商品コード:967758
  • JANコード:4904115677583
商品一覧へ
(サイズ・色違いなど)

仕切価格
標準価格 \10,900
 
注文単位 1個
  • ※1/28 23:30 時点の情報です


用途
商品説明
  • 薄型ワークに最適!
  • ワークを押し込むだけでワンタッチクランプ。
商品スペック
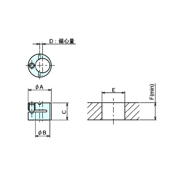
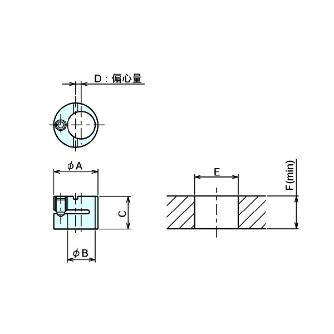
  • A h9:16
  • B H7:10
  • C:11.9
  • D:2
  • E H7:16
  • F:12
  • 適合クランプピン CPA:CPA(P)-0510・0610(P)
  • 適合クランプピン CPP:CPP(S)-0510・0610
  • 質量(kg):0.01
  • 材質(本体):SUM22L
  • 表面処理:黒染め
注意事項
内容品・付属品 ●取付用位置決めボルト×3本
原産国
特記事項 ナベヤ(メーカー手配)に限り同一注文のメーカー定価合計が10,000円未満は送料1,000円です。サイト全体合計に適用しません。北海道・沖縄・離島は別途送料が発生します(送料は予告なく変更の場合あり)

この商品を見た人はこちらの商品も見ています