(株)ナベヤ

マルチオートクランプシングルサイドタイプ MR123R

  • 型番:MR123R
  • 発注コード:IXD40
  • メーカー商品コード:114467
  • JANコード:4904115233789
商品一覧へ
(サイズ・色違いなど)

仕切価格
標準価格 ¥22,900
 
注文単位 1個
  • ※3/02 23:30 時点の情報です


用途
商品説明
  • ワンアクションで多数個ワークを同時にクランプ。
  • クランプ力の向きが90度変換可能。
  • 自由度の高い治具設計。
  • 戻り機能の採用で自動化にも対応。
  • 多彩なバリエーション。
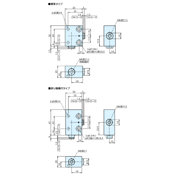
商品スペック
  • タップ加工 入力側:有り
  • タップ加工 出力側:有り
  • 質量(kg):0.22
  • タイプ:戻り機構付
  • 名称:分岐片押し
  • 材質(クランプブロック):S50C
  • 材質(クランプピン):SKD11
  • 熱処理(クランプブロック):焼入HRC50
  • 熱処理(クランプピン):焼入HRC60
注意事項
内容品・付属品
原産国
特記事項