(株)ナベヤ

Q-ロックエレメント ブッシュ 油圧式 QL07RB 廃番

  • 型番:QL07RB
  • 発注コード:IXA18
  • メーカー商品コード:968857
  • JANコード:4904115688572
商品一覧へ
(サイズ・色違いなど)

仕切価格
標準価格 ¥17,400
 
注文単位 1個
  • ※3/12 23:30 時点の情報です


用途
商品説明
  • Q-ロックエレメントは、ワンタッチで位置決めとクランプができるエレメントです。
  • テーパー面とフランジ面の2面拘束式で高精度・高剛性なエレメントです。繰り返し位置決め精度は3μm以内です。
  • 駆動方式は油圧式・バネ式・ネジ式の3タイプがあり用途により選べます。
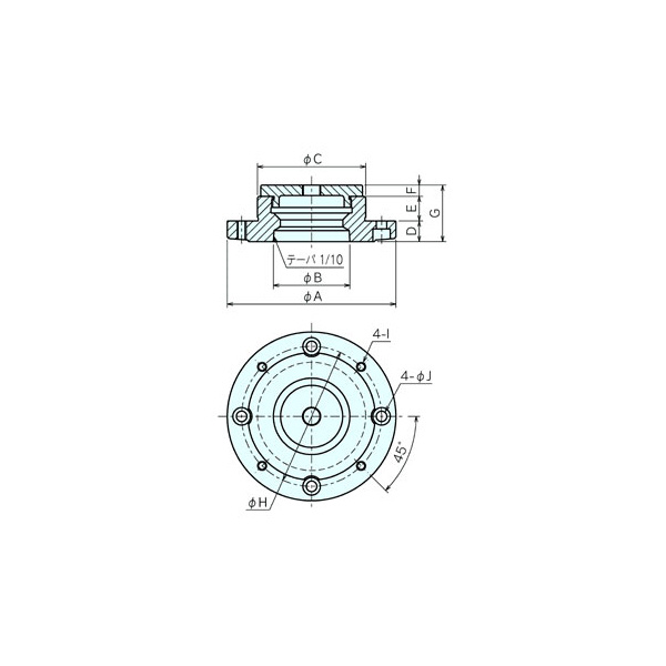
商品スペック
  • A:90
  • B:40
  • Ch5:58
  • D±0.003:11.5
  • E:12.5
  • F:6
  • G:30
  • H:72
  • I:M6
  • J:6.6
  • 質量kg:0.8
  • タイプ:ロケート ピン
  • 加工寸法 A:57
  • 加工寸法B H7:58
  • 加工寸法C:14.5
  • 加工寸法D:6
  • 加工寸法E:72
  • 加工寸法F:6.6
  • 加工寸法G:M6
  • 加工寸法H:15
  • 熱処理:焼入HRC55
注意事項
  • <特記事項>>【画像注意事項】画像はQ-ロックエレメント ブッシュ 油圧式シリーズ画像を使用しています。
内容品・付属品
原産国
特記事項