(株)ナベヤ

Q-ロックエレメント ピン 油圧式 単動 QLSM03CP 廃番

  • 型番:QLSM03CP
  • 発注コード:IWY87
  • メーカー商品コード:971077
  • JANコード:4904115710778
商品一覧へ
(サイズ・色違いなど)

仕切価格
標準価格 ¥46,900
 
注文単位 1個
  • ※3/02 23:30 時点の情報です


用途
商品説明
  • クランプ時は皿バネ、アンクランプ時のみ油圧を使用。クランプ中の油漏れ、温度変化・断線などのトラブルがありません。
商品スペック
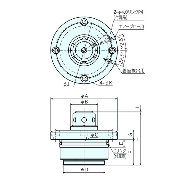
  • A:66
  • B:30
  • Ch5:45
  • φD:37.5
  • E:10
  • F:30
  • G±0.003:12
  • H:65
  • I:1.8
  • J:54
  • K:5.5
  • L:27
  • 質量kg:0.7
  • タイプ:クランプ ピン
  • 熱処理:本体:焼入HRC55、ピストン:焼入HRC55鋼球:焼入HRC62
注意事項
  • <特記事項>>【画像注意事項】画像はQ-ロックエレメント ピン 油圧式 単動シリーズ画像を使用しています。
内容品・付属品
原産国
特記事項