(株)ナベヤ

Q-ロックエレメント ピン ネジ式 QLTF19DP 廃番

  • 型番:QLTF19DP
  • 発注コード:IWY56
  • メーカー商品コード:991496
  • JANコード:4904115914961
商品一覧へ
(サイズ・色違いなど)

仕切価格
標準価格 ¥14,000
 
注文単位 1個
  • ※3/13 23:30 時点の情報です


用途
商品説明
  • 治具の交換作業及び位置決めにおいて「ハイスピード」「高精度」「高剛性」3拍子揃った、2面拘束式治具セットアップエレメントです。
  • 既存の治具に組み込んで使用できます。
  • 治具の自動交換に対応できます。【仕様画像】http://www.nabeya.co.jp/Catalog/CatalogPicR/659c1-1.jpg
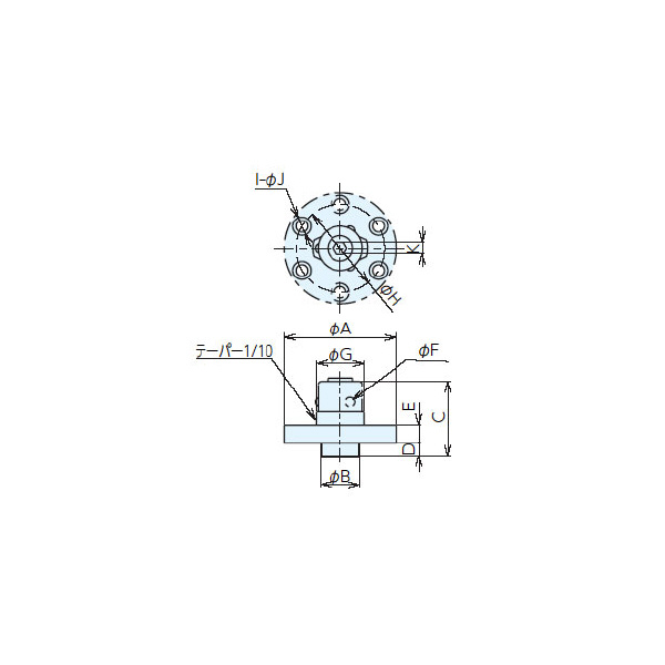
商品スペック
  • A:45
  • B-0.003/-0.013:15
  • C:31.3
  • D:6
  • E±0.005:7
  • F:4
  • G:19
  • H:36
  • I:4
  • J:4.5
  • K:5
  • 質量g:110
  • タイプ:ダイヤ ピン
  • 熱処理:本体:焼入HRC55鋼球:焼入HRC62
注意事項
  • <特記事項>>【画像注意事項】画像はQ-ロックエレメント ピン ネジ式シリーズ画像を使用しています。
内容品・付属品
原産国
特記事項 ナベヤ(メーカー手配)に限り同一注文のメーカー定価合計が10,000円未満は送料1,000円です。サイト全体合計に適用しません。北海道・沖縄・離島は別途送料が発生します(送料は予告なく変更の場合あり)