(株)ナベヤ

Q-ロックエレメント ピン ネジ式 QLTF40RP 廃番

  • 型番:QLTF40RP
  • 発注コード:IWY55
  • メーカー商品コード:991495
  • JANコード:4904115914954
商品一覧へ
(サイズ・色違いなど)

仕切価格
標準価格 ¥21,000
 
注文単位 1個
  • ※3/13 23:30 時点の情報です


用途
商品説明
  • 治具の交換作業及び位置決めにおいて「ハイスピード」「高精度」「高剛性」3拍子揃った、2面拘束式治具セットアップエレメントです。
  • 既存の治具に組み込んで使用できます。
  • 治具の自動交換に対応できます。【仕様画像】http://www.nabeya.co.jp/Catalog/CatalogPicR/659c1-1.jpg
商品スペック
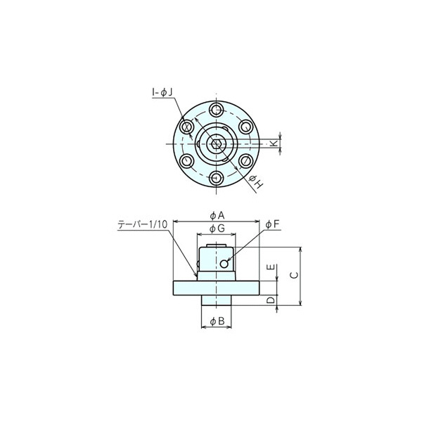
  • A:88
  • B-0.003/-0.013:28
  • C:59
  • D:9.5
  • E±0.005:15
  • F:7
  • G:40
  • H:72
  • I:6
  • J:7
  • K:10
  • 質量g:950
  • タイプ:ロケート ピン
  • 熱処理:本体:焼入HRC55鋼球:焼入HRC62
注意事項
  • <特記事項>>【画像注意事項】画像はQ-ロックエレメント ピン ネジ式シリーズ画像を使用しています。
内容品・付属品
原産国
特記事項