(株)ナベヤ

TBN用ロケートブロック TBN800-30LB

  • 型番:TBN800-30LB
  • 発注コード:IWU75
  • メーカー商品コード:930254
  • JANコード:4904115302546
商品一覧へ
(サイズ・色違いなど)

仕切価格
標準価格 \17,400
 
注文単位 1個
  • ※12/15 23:30 時点の情報です


用途
商品説明
  • No.E-9159 MCツーリングブロック(2面取付タイプ)用のプレート位置決めブロックです。
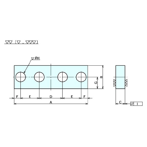
商品スペック
  • 適合ツーリングブロック:TBN800
  • 適合取付プレート厚:30
  • A:158
  • B:50
  • C:20
  • D:50
  • E:40
  • F:14
  • G:25
  • H:18
  • I:0.01
  • 質量(kg):1.07
  • 材質(本体):S45C
  • 表面処理:黒染め
注意事項
内容品・付属品
原産国
特記事項

この商品を見た人はこちらの商品も見ています