住友電気工業(株)

SEC-エースミル カッタ EHG4080R

  • 型番:EHG4080R
  • 発注コード:IMK55
  • メーカー商品コード:2200541
  • JANコード:―
商品一覧へ
(サイズ・色違いなど)

仕切価格
標準価格 \70,000
 
注文単位 1個
  • ※12/18 23:30 時点の情報です

※1/1に下記価格に改定予定です

仕切価格
標準価格 \73,500

用途 ●平面削り用
商品説明
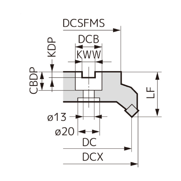
商品スペック
  • 規格:インチ
  • 型式記号:EHG
  • 内接円IC(mm):12.70
  • インサート内接円サイズ記号:4
  • 勝手[記号]:右[R]
  • カッタ径記号:080
  • すくい角(°):-3(半径方向)・20(軸方向)
  • ボスDCSFMS(mm):60
  • 穴径DCB(mm):25.4
  • 溝深さKDP(mm):6
  • 溝幅KWW(mm):9.5
  • 最大切込み量(mm):5.5
  • 取付深さCBDP(mm):25
  • 刃径(mm):80
  • 最大刃径DCX(mm):95
  • 刃数(枚):4
  • 切込み角(°):45
  • 高さLF(mm):50
  • 重量(kg):1.3
  • 適用インサート:SE□N 42M/MT/MT-W、SE□□ 1203AF□N
  • 適用加工:溝削り○/平面汎用○
  • 被削材:P(一般鋼○/炭素鋼○/合金鋼○/調質鋼・ダイス鋼○)・M(ステンレス鋼○)・K(鋳鉄○/ダクタイル鋳鉄○)・N(CFRP○/グラファイト○)
  • エンドミル適用加工:平面◎
  • Fig:1
注意事項
  • 本体にインサートは組み込んでありません。
  • 本体のアーバへの締付けには、JIS B1176「六角穴付きボルト」(M12×30~35mm)をご使用ください。
内容品・付属品 ●バックシート:EHK4R●押え金:EHW4R●キャップスクリュー:EHBX0512(サイズ:M5、5.0N・m)●レンチ:TH040
原産国
特記事項

この商品を見た人はこちらの商品も見ています