住友電気工業(株)

SEC-エースミル カッタ APG4100R

  • 型番:APG4100R
  • 発注コード:IJB21
  • メーカー商品コード:2200684
  • JANコード:―
商品一覧へ
(サイズ・色違いなど)

仕切価格
標準価格 ¥117,000
 
注文単位 1個
  • ※4/30 23:30 時点の情報です


用途 ●平面削り用
商品説明
商品スペック
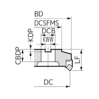
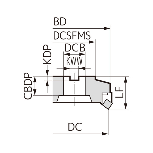
  • 規格:インチ
  • 型式記号:APG
  • 内接円IC(mm):12.70
  • インサート内接円サイズ記号:4
  • 勝手[記号]:右[R]
  • カッタ径記号:100
  • すくい角(°):-2(半径方向)・18(軸方向)
  • ボスDCSFMS(mm):75
  • 外径BD(mm):110
  • 穴径DCB(mm):31.75
  • 溝深さKDP(mm):8
  • 溝幅KWW(mm):12.7
  • 最大切込み量(mm):7
  • 取付深さCBDP(mm):32
  • 刃径(mm):100
  • 刃数(枚):5
  • 切込み角(°):65
  • 高さLF(mm):60
  • 重量(kg):2.7
  • 適用インサート:SDCH 42T□/42T□-R、SDC 42R/42L/42T□/42T□-R、APW 4R、NF-SDC 42R
  • 適用加工:溝削り○/平面仕上げ○/平面汎用○
  • 被削材:P(一般鋼○/炭素鋼○/合金鋼○/調質鋼・ダイス鋼○)・M(ステンレス鋼○)・K(鋳鉄○/ダクタイル鋳鉄○)・N(CFRP◎/グラファイト◎/銅合金◎)
  • エンドミル適用加工:平面◎
  • Fig:2
注意事項
  • 本体にインサートは組み込んでありません。
内容品・付属品 ●ロケータ:LAP40R●インサート押え金:ATW45R●ダブルねじ:WB8-22TL(サイズ:M8、8.0N・m)●キャップスクリュー:BXF0520R(サイズ:M5、5.0N・m)●レンチ:TT27
原産国
特記事項

この商品を見た人はこちらの商品も見ています